Снят с производства
Арт. 71222001
Задать вопрос
Срок службы оборудования – 10 лет с даты производства.
Циркуляционные насосы BASIC для циркуляции холодной и горячей воды в системах отопления и кондиционирования воздуха. Насос имеет три частоты вращения для выбора оптимальной производительности насоса для данной гидросистемы.
Максимальное давление 10 бар в гидросистеме. Температура от +2 до +110 °С перекачиваемой жидкости.
Подробнее
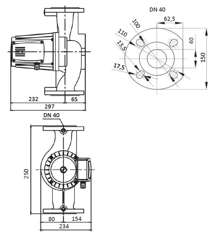
Техническая информация
Описание
Базовые насосы с энергоэффективностью класса «B» BASIC предназначены для циркуляции холодной и горячей воды в системах отопления и кондиционирования воздуха. Насос имеет три частоты вращения для выбора оптимальной производительности насоса для данной гидросистемы.
Характеристики
| Вес нетто, кг | 18,4 |
| Диапазон температур перекачиваемой жидкости, °C | +2 .. +110 |
| Диапазон температур хранения, °C | -30 / 55 |
| Диапазон температуры окружающей среды, °C | 0 / 40 |
| Класс изоляции (IEC 85) | H |
| Количество скоростей | 3 |
| Макс. рабочее давление, бар | 10 |
| Максимальный напор, м | 14,2 |
| Максимальный расход, м³/ч | 14,0 |
| Материал корпуса насоса | Чугун с катафорезным покрытием |
| Материал рабочего колеса | Композит PES/PP |
| Модель | BASIC 40-12SF |
| Монтажная длина, мм | 250 |
| Номинальное напряжение, В | 3 x 380 |
| Номинальный напор, м | 8 |
| Номинальный расход, м³/ч | 8 |
| Номинальный ток, А | 1,3 / 0,8 / 0,7 |
| Размер всасывающего патрубка | DN 40 |
| Размер напорного патрубка | DN 40 |
| Сертифицирован для питьевой воды | Да |
| Степень защиты (IEC 34-5) | IP44 |
| Тип исполнения | PN10 |
| Уровень шума, дБ | ≤50 |
| Хит продаж | Снят с производства |
| Частота питающей сети, Гц | 50 |
FAQ
Подходят ли насосы Shinhoo для питьевой воды?
Насосы Shinhoo имеют гигиенический сертификат — документ, подтверждающий безопасность продукции, в отношении которой была проведена экспертная оценка в соответствии с действующими в России санитарными нормами. То есть, насосы Shinhoo сертифицированы для работы с питьевой водой.
Документы
Тех. лист - BASIC 40-12SF 3x380V
531.6 Кб
Брошюра Shinhoo
7.1 Мб
